RigReference
Ham Radio Equipment
  • Login
  • Register
The Big Three
  • ICOM
  • Kenwood
  • Yaesu
Common manufacturers
  • ADI
  • AKD
  • Alinco
  • AOR
  • Atlas
  • Azden
  • Bando
  • Baofeng
  • Belcom
  • Central Electronics
  • Clansman
  • Clegg
  • Codan
  • Collins
  • Commander
  • DLS
  • Dragon
  • Drake
  • E.F. Johnson
  • Eddystone
  • Eico
  • Elecraft
  • Etón
  • FDK
  • FlexRadio
  • Galaxy
  • Geloso
  • Gonset
  • GRE / GRECOM
  • Grundig
  • Hallicrafters
  • Hammarlund
  • Handic
  • Harvey-Wells
  • Heathkit
  • Hilberling
  • ICOM
  • ITT
  • JIM
  • JRC
  • K.W. Electronics
  • Kantronics
  • KDK
  • Kenwood
  • Lafayette
  • Lowe
  • Marconi
  • MFJ
  • Military
  • Minix
  • Mizuho
  • National / Panasonic
  • National Company
  • Open Source
  • Philips
  • Puxing
  • Racal
  • RadioShack / Realistic
  • RCA
  • Regency
  • RFT
  • RME
  • Roberts
  • Rohde & Schwarz
  • Sailor
  • Sangean
  • Santec
  • SBE
  • Semcoset
  • Siemens
  • Signal/One
  • Skanti
  • Sommerkamp
  • Sony
  • SRT
  • STAMPFL
  • Standard Horizon
  • Star
  • Swan (Cubic)
  • Ten-Tec
  • Tokyo Hy-Power
  • Uniden-Bearcat
  • Vertex Standard
  • WiNRADiO
  • Wouxun
  • Yaesu
  • Yupiteru
  • Show all manufacturers
  1. Home
  2. Documents

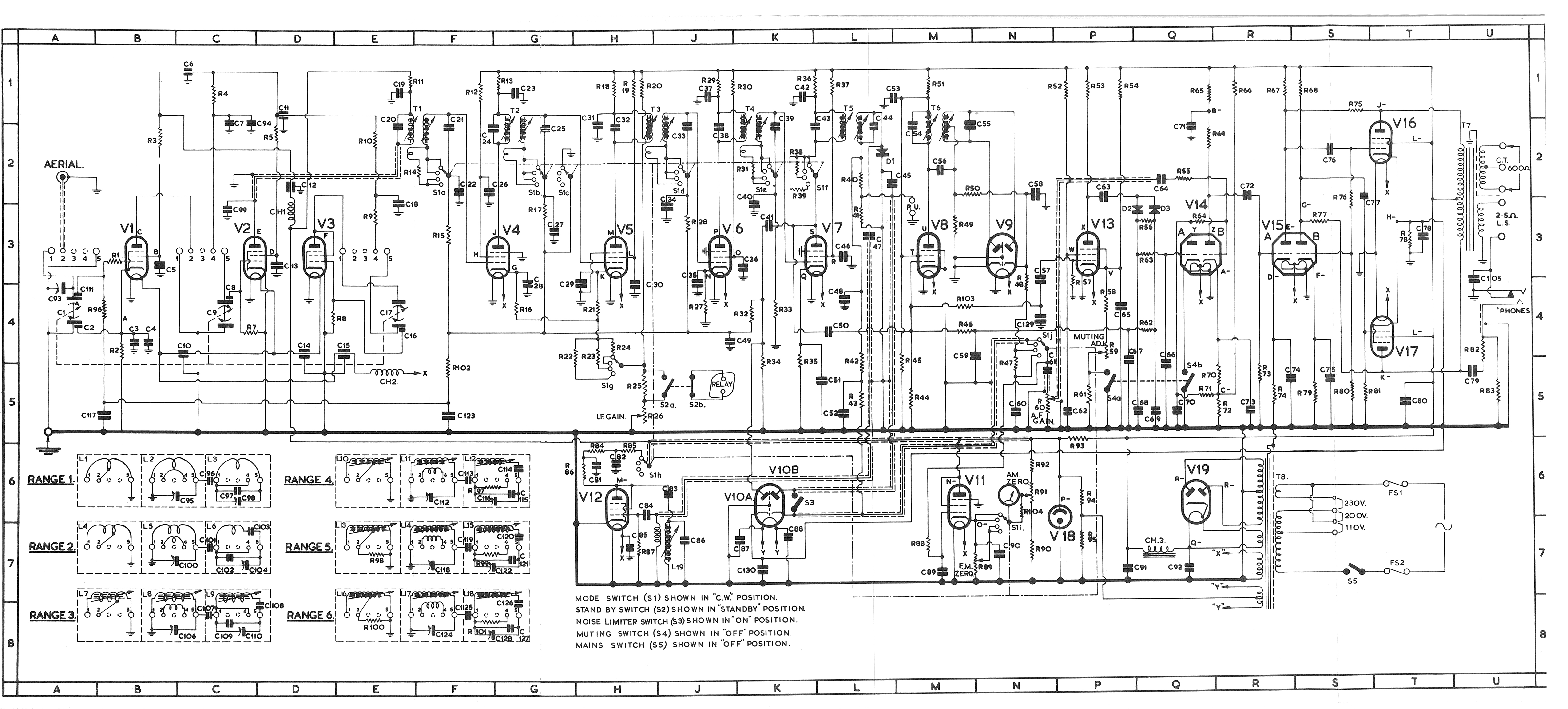
Eddystone-770R Circuit Diagram

Single-page, good quality circuit diagram.

Originally published in Dec 2009, uploaded by RigReference

JPEG, 4.13 MB
Click to download...

This document is related to the following rigs...

Eddystone 770R

Desktop VHF receiver

All copyrights remain with their respective owners. Do you feel this document is not acceptable? Please report it!

About

RigReference.com aims to become the most comprehensive reference guide for ham radio equipment. If you have any questions or suggestions, or if you'd like to participate, please get in touch.

  • About us
  • Help build this site
  • Images wanted!
  • Terms of use
  • Contact
Buy me a coffeeBuy me a coffee

My RigReference

  • Login
  • Register
  • Home
  • Manufacturers
  • Documents
  • Reviews
  • Images
  • Timeline
  • Shacks
  • Links
  • Resources
© 2008-2026 RigReference.com
73, PH5E